assignments
final project
about
FINAL
1stPROTO
mechanic
LEDboard
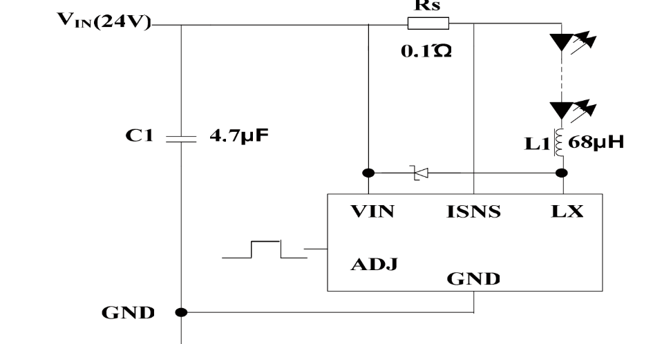
LEDdriver
controller
sensors
enclosure
assignments
final project
about
1st prototype
mechanical design
LED board
LED driver test
design controller board
sensors