Wheek 14: Networking and Communications
Networking Hello Serial Buss
This week I used the hello world board example to connect several boards together
on a network using the serial bus protocol. The bridge is connected to a computer with FTDI.
Fig 1. FTDI to comunicate the boards to the computer.
All the designs of the boards were once again made using the EAGLE software. All the boards have one led to indicate that tey’re being energized.
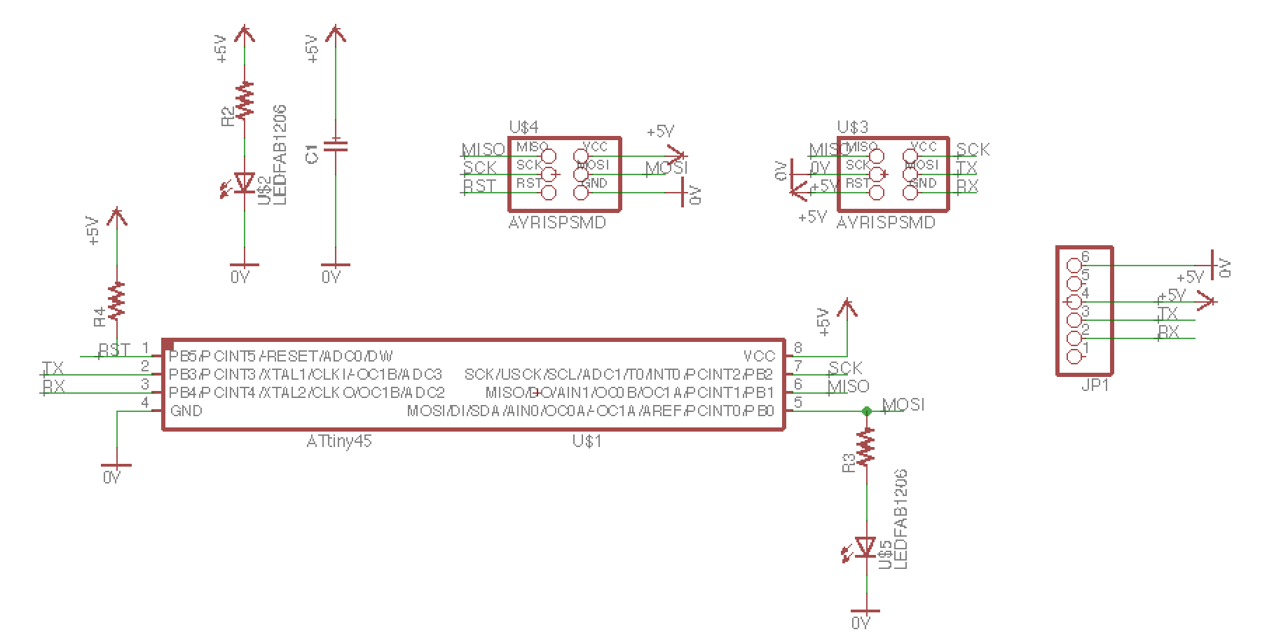
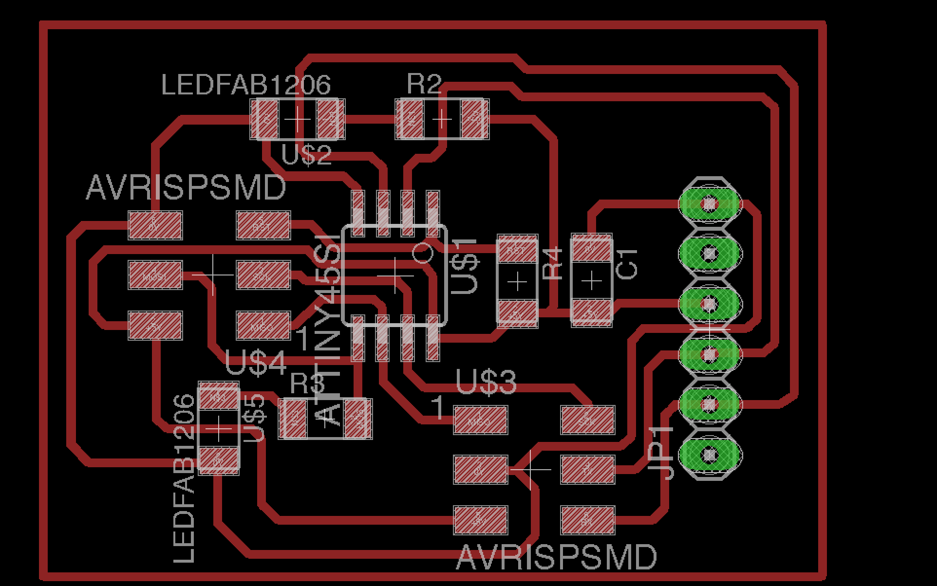
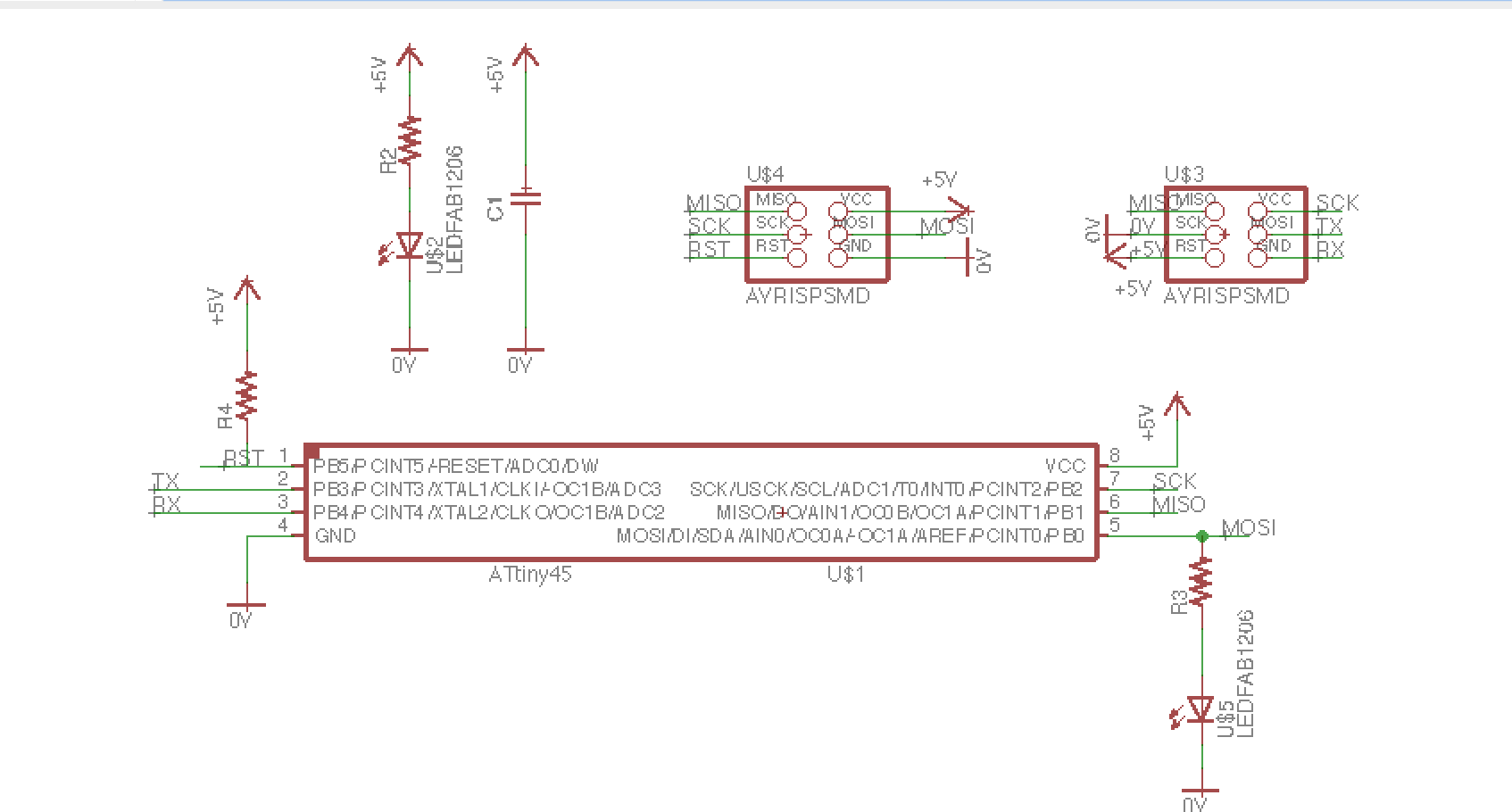
Fig 2. The brigde schematic on EAGLE software. Fig 3. The brigde board on EAGLE software. Fig 4. The node schematic on EAGLE software.Fig 5. The node board on EAGLE.
The bridge and nodes will have an attiny45 embedded.
The datasheet shows on this link:
http://www.mouser.com/ds/2/268/Atmel-2586-AVR-8-bit-Microcontroller-ATtiny25-ATti-1065586.pdf
Fig 6.The boards made with modela mdx 540 by Roland. Fig 7. The pictue shows the soldering of the Attiny 45. Fig 8. The temperatue on the air from the solder gun was 350C. Fig 9. The final soldered Attiny 45.
Fig 10. Two nodes finished.
The firs step was to burn the boolader on the respective boards: one brigde and two nodes.
Fig 11. Done burning bootloader.
Get the board files and code:
http://academy.cba.mit.edu/classes/networking_communications/index.html
The Link code with Neil’s code:
http://academy.cba.mit.edu/classes/networking_communications/bus/hello.bus.45.c
I made two nodes and one brigde. I modified the “c” code; for example on the brigde de id number was “0” (# define node_id “0”) and the nodes “1” (# define node_id “1”) and “2” (# define node_id “2”).
Fig 12. Change on # define node_id “1”. Fig 13. Change on # define node_id “2”. Fig 14. The tree boards on the picture are connected via RS-232 port. For this assigment I use two prograsm to received the data via usb FTDI. For the first program I used Labview. I made a routine that make changes on the delay and the LED on the red changed the frecuency. Fig 15. FTDI connect with the program. In this case: Labview the serial port Com 11.
**VIDEO**
This video shows the the led on the red RS-232, change the frecuency and regulated the intency of leds.
Right mouse button to play video
**VIDEO**
This video shows the blink on the node 1.
Right mouse button to play video
node board
node Schematic
bridge board
bridge Schematic
Labview program.










