ELECTRONICS DESIGN

Some alt text

To design a circuit board or to brutally fail

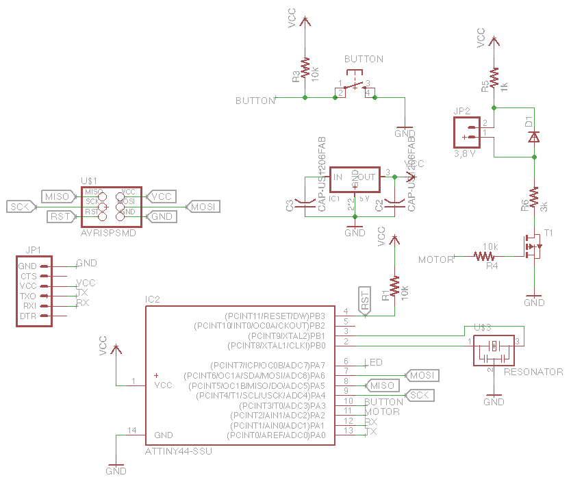
The circuit board I made has a few differences than the original one in the tutorial. The biggest change is instead of an LED i put in a imagemotor. To be specific a vibration motor with a 3.8V maximum. I also added a button which I hope to program next week to control the voltage for the motor.

Image Not Found

On the road to failing..

I had a few issues with error messages again, this time they looked more like imagethis and imagethis. The first one was regarding my files being in a wrong folder, at least that's what fixed it. The second one was because I'd broken the connection between the boards in Eagle when I used the delete command to remove a route on the board and mindlessly clicked ok when the warning came up.

...is the only way to success!

This was resolved by deleting my board and starting from scratch. It was no problem since I'd anyways been building with pieces (such as the LED) that I wanted removed. In the end I hope there's a better way to solve this issue but my solution worked well for me.

Image Not Found

Details of my dirt road

I added a imagevoltage regulating system as not to destroy the motor (max 3.8 in a 5V system) by using a 1V resistor and a 4V resistor. V0 should in this case become 3.75 which is as close I could hope to get to the maximum limit. This will enable me to use the full width of power for the motor. I followed the schematics from imagehere. The description for calculation was a bit off though and would have to look like the third one from the top which imageI scetched up here to properly do the math that the author got out. Not the best description but the image speaks somewhat clearly at least.

To be able to enjoy the full width of the vibration spectra I added a transistor following this guide. I will personally not be using a potentiometer to controll the motor speed but a button which gives of different results depending on push time or amounts of pushes. This has yet to be decided.

Files

Board with button and motor