

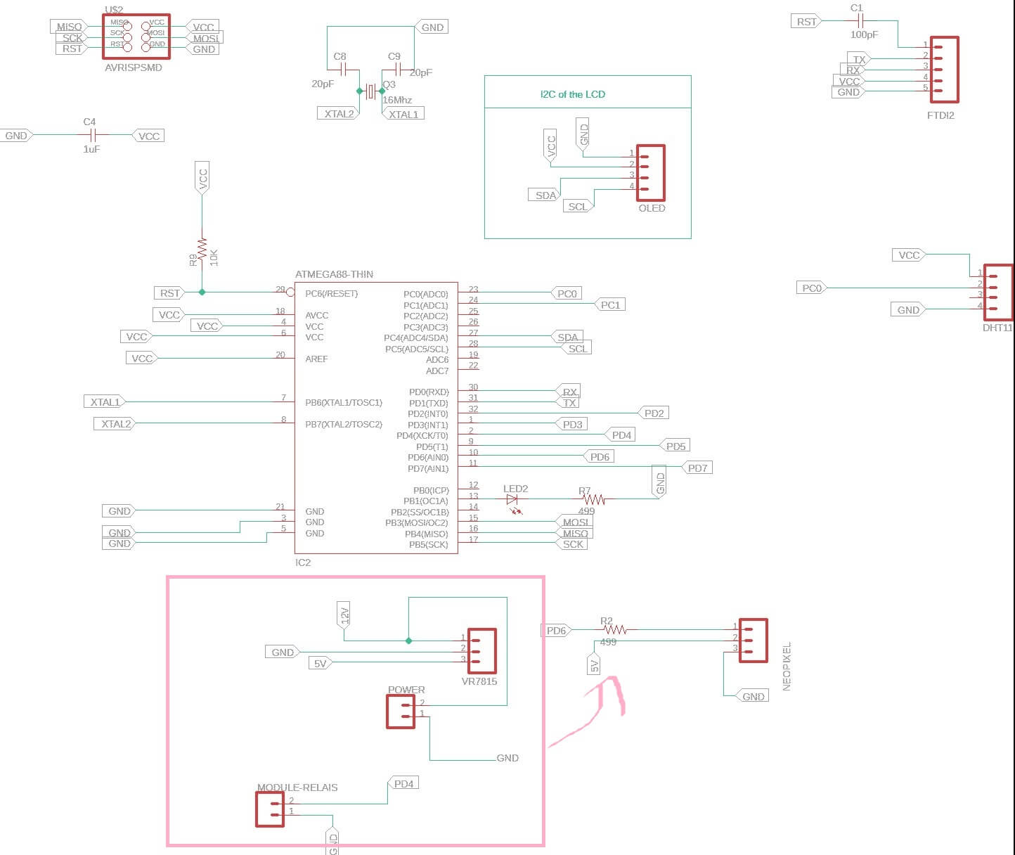
Personally, I decided that I'm going to start with designing the main PCB board.
Of course, my start point was the Hello board that I designed on Week 06

.jpg)
.jpg)
However, after a quite attempts to adjust my pins to the microcontroller and since I needed more storage for the components, I decided to go with the Atmega 328P (DATASHEET)


For the final project board, my Outputs were the OLED, the LED and my Inputs are the DHT11 and the humidifier,
However I faced a quite Problem here, that the Mist maker that I was going to use it as the essential composant for my HUMIDIFIER is that it works with a voltage of 24V and my other components work with a voltage of 5V and there's no way to have two source of power.
So if there's a 3.3V and 5V voltage regulator so basically there's something that can decrease the voltage and here I found this one that's called DC-DC Step Down Converter Module LM2596 DC 4.0~40 to 1.3-37V Adjustable Voltage Regulator


Halfeaway, after I completed everything, n'by everything I meant the final design and everything, I decided to go for something else completly
I decided to use a humidifier module which is pretty easy to be used and to be controlled !!

.png)


After being soldered!

And now it's the time for the othe components of the project
