Assignment

  • Group Assignment
    • characterize your lasercutter's focus, power, speed, rate, kerf, and joint clearance
    • document your work (individually or in group)
  • Individual Assignment
    • Design, lasercut, and document a parametric press-fit construction kit, which can be assembled in multiple ways. Account for the lasercutter kerf.
    • cut something on the vinylcutter


My Work

I've learned about laser cutter and vinyl cutter at Fablab Kannai from my instructor Tamiya-san.

w03_star

Group Assignment

Link to group assignment page at Kannai lab

Concept of Construction Kit

As the shape of my initial design of final project (a.k.a. "Pot") is polyhedron(凸多面体) - "Gyroelongated pentagonal rotunda" comprised by regular polygons, I came up with the idea of a constructional kit that can make polyhedron. The surface of shape would be polygons like regular triangle, pentagon and rectangle. Joint needs to have a function that can attache the surfaces in multiple angles.

w03_joint_example_2

For attaching the surfaces, I decided to use the "snap" joint.

w03_joint_handsketch

Joint from inside of polyhedron (not push out the edges as long as possible).

Multiple set of joint with different angles would allow players to make various constructional object!

Design of Construction Kit

Measure the angles in 3D Model

For attaching the surface of polyhedron, I measured the model that I made in week02.

p-t_01
p-t_02
p-t_03
p-top_rec
t-top_rec

For making "Pot", I need at least following joint:

  • 25 pieces of 142.6 deg. joint (pentagon and triangle)
  • 5 pieces of 153.4 deg. joint (pentagon and top rectangle)
  • 5 pieces of 169.2 deg. joint (triangle and top rectangle)
  • 10 pieces of 144 deg. joint (inner angle of regular decagon)

And more for various constructions!

Sketch the Kit

■ Sketch the shape of polygons with parametric model

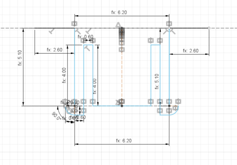
I sketched the 2D model of construction kit using Fusion 360 for parametric modeling of construction kit.

Fusion_parameters

At first, I applied parameters in so many places in sketch of Fusion360. However, I realized that it's not necessarily good way to set everything as a parameter. It's because 1) too many constraint increase complexity of constraints dependency. and 2) 1) causes error and unexpected behavior in model. 3) CorelDRAW, a graphic software that are used for sending cutting data to Universal Lasercutter at Fablab Kannai, has strong power that specifies the location or color settings of shapes to cut.

That's why I designed a vector lines separately for each part, then converted it into vector image in svg file. In CorrelDRAW, I checked the space and alignment for each part and finalize the cutting data.

Fusion_parametric_1st
Ah, too many constraints including margin of shapes etc.
■ Sketch the joint
joint01

1. sketch the joint considering cardboard thick(2.83mm) and kerf(3.5mm)

joint02

2. mirror the snap to the other side. (Actually, this the final idea of joint is not symmetry for easily attaching the joint)

joint03

3. set the joint snap ledge to 1mm.

joint04

4. set the joint snap thick to 0.5mm (Actually, this was too shallow to fixing the cardboard surface)

joint06

5. Draw center point arc as the construction line of angle.

joint07

6. Draw construction line and set the angle for pivot of mirror

joint08

7. Mirror the sketch profiles to the other side.

■ Offset

You can add the kerf as a parameter to every dimension of the shape for cutting. However, designing complex shapes like joint as above in that way is too difficult and too much constraint conflicts in CAD tool.

Instead, I used "Offset" function in the sketch of Fusion360 for spacint the line as the offset to desirable cutting edge.

offset01

1. At the new sketch, create the projection line from original sketch (that is not reflected the kerf calculation).

offset02

2. In "offset" dialog, check the direction. If you want to cut outside of the shape, offset is external line. If inside, offset is internal line.

offset03

3. Reflect the offset line to the sketch.

Offset value is "a half of kerf". As I determined that the kerf for cutting cardboard in 3 mm thick is 0.35mm, the offset is set into 0.175mm

offset04

It's helpful to use offset function especially in considering kerf in complex design.

Generate the SVG file from Fusion360

There are several way to store the svg file to be accepted by cnc machines. For example, exporting dxf from Fusion360 and change it into svg from tools like Inkscape.

This time, I tried to use "Shaper Utility", a plugin of Fusion360. It's very straight forward to export svg file directly from 3D model using shaper utility.

shaper01

1. Tool > Shaper Utility and select "sketch profiles"

shaper02

2. select the sketch profiles that you want to convert to SVG.

Occasionally, you cannot select the sketch profile especially in case of offset line. In that case, you can make body by extruding the offset sketch, check "single solid body" in 1., then you can get offset line of sketch.

shaper03

3. save the SVG file directly to local storage.

Laser Cut Construction kit

■ Edit images in CorelDRAW
hairline

Using CorelDRAW that is installed for client laptop of Universal laser cutter, I consolidated the position, alignment and spaces of shapes.

hairline
hairline

make the line for cut to ”hairline” and clear the color filled inside of the shape.

■ Cutting Parameters and adjusting the design

Following what I found on characterizing the laser cutter (especially in cutting a cardboard in 3mm thick), I set the parameter of Universal VLS Desktop VLS2.30 as follows.

Color Mode Output Speed DPI
Black Raster 80% 100% 500
Red Vector 50% 4% 250

I did cut several times before mass producing.

joint resketched

Round 1. shape of joint was weak. I changed the design of joint from "deep slit for snap for both side into "no slit and for 1 side".

Round 2. The length of rectangle was not valid because the area of sketch that I selected on "shaper utility" was incorrect.

first trial kit
real measurement

Finally, I could measure 24.98mm in physical material cutout from design of 25.00mm!

■ Cutting
cutting kit
cutting kit2
cutting kit2
■ Assembling
assemble01
assemble02
assemble03

Assembling in a different way. Multiple angles of joint supports various expression.

This is "Hand"...?

assemble04

Vinyl Cut and Sand Blast

I tried to cut data both from raster image and vector image.

Raster Image: "PotTone" logo

I traced a png data that I created by GIMP in week1 assignment

silhouette_trace_r1

1. Open png data in Silhouette Studio

silhouette_trace_r2

2. Panel > Trace and adjusting parameter to trace the data like "threshold" or "filter" and get clear outline.

silhouette_trace_r4

3. Get outline data in red color.

Vector Image: "Breadman(食パンマン)"

silhouette_trace_v1

This is the symmetric bread-man(しょくぱんマン) that I designed in Fusion360.

The bread−man(しょくぱんマン) is a very famous hero, the best friend of main charctor of Ampan-man(アンパンマン), a popular Japanese picture book. The bread-man is my 3 years-old daughter's favorite.

silhouette_trace_v1

2. Though I used "Shaper Utility" and exported SVG file, that format (by autodesk SVG) could not be imported to Silhouette Studio directly.

So, I opened the SVG in Inkscape and export it into DXF format.

silhouette_trace_v1

3. DXF R14 format was exported from Inkscape, then imported to Silhouette Studio successfully.

silhouette_trace_v1

4. In design view of Silhouette Studio, I adjusted size or alignment of data for cutting.

Vinyl Cut

vinylcut1

1. For cutting the sticker, I used CAMEO by Silhouette, a vinyl cutter at Fablab Kannai.

silhouette_trace_v1
silhouette_trace_v1

2. Firstly, I tried to cut the sheet with sticker in "3" value of cutting pressure. However, in test cut, the sheet could not be cut out. The pressure was weak.

silhouette_trace_v1

3(1). Set cutting pressure into "4" in software.

vinylcut2

3(2). For adjusting the pressure, user needs to set it physically.

vinylcut3

4. Test cut again. Cutting pressure into "4" works!

vinylcut4

5. Completed to make the sticker!

Sandblast

Fortunately, Fablab Kannai has a machine to make sandblast product. I try to make sandblasted glass.

sand1

put the coversheet for pealing off the sticker cover easily.

sand2

put the sticker and peal off the blasting area carefully using pin set

sand3
sand4
sand5
sand6
sand7

Sandblast machine is dusty... It's necessary to wear a mask.

sand8
sand9

omit the cover sheet above trash box.

sand11
sand12
sand14

Lessons Learned

  • Though parametric modeling is very useful, but I need to consider how effectively use that. Too much constraints in modeling causes unexpected behavior in tools and outcomes.
  • I learned about character of materials and machine. 3mm cardboard sheet is not so stable that I made a kerf a little bit(0.0X mm) larger than calculated size for construction strength of kit against gravity.
  • Vinyl cut and sandblast provides good exercise for making a product in good shape in short cycle development.

Files


References

to Top