At first, I had to decide what do I want to cut, so I thought, what is better than a batman logo? :D
So, I started by downloading the logo from google, and added it to Silhouette Studio, which already has an automatic tracing option

After that I used the tracing option from the right panel

and then I moved the image so that I can see the traced output

It was good enough. Therefore I deleted the image, and saved the file.

Now, to setup the vinyl cutter, I cut a piece of vinyl, placed it on the machine's template and put it in the machine

After that, I started cutting:

After the cutting finished, I needed to transfer the logo onto my laptop, so I used sticky paper, where I sticked the sticker and put it on my laptop afterwards.


Kerf is how much the laser cutter burns more than what was programmed to.
It can be simply measured by cutting a piece with known dimensions, where the kerf would be the difference between the designed cut and the actual cut.
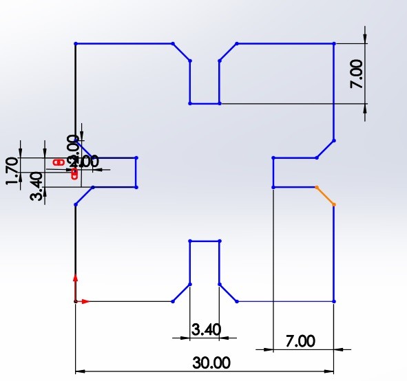
In this weeks's assignment, we had to measure the kerf for our laser cutting machine. Therefore, we designed the following file using Solidworks to be cut in cardboard.

After that, we saved the file into a dxf format so that we can use it on the software for the laser cutter.









Lorem ipsum dolor sit, amet consectetur adipisicing elit. Voluptas tenetur totam, dolore
Lorem ipsum dolor sit, amet consectetur adipisicing elit. Voluptas tenetur totam, dolore