Week10: Output Devices¶
Group Assignment
measure the power consumption of an output device
This group assignment document was written by Yuya Tokuyama.
Test board used this time¶
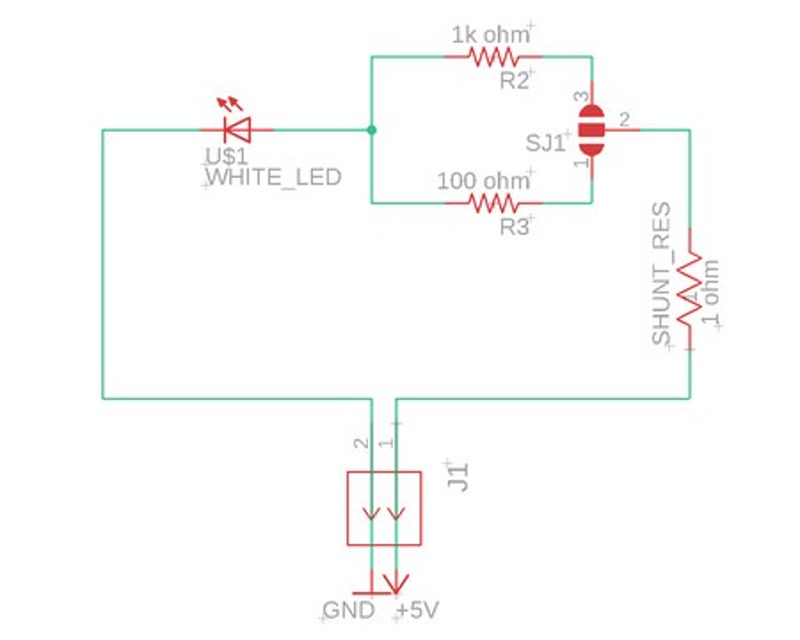
For this week’s group assignment, we used the test board that was already in Fablab Kannai to measure voltage, current, and power consumption. This test board has two types of resistors (1kΩ and 100Ω) and one LED connected to a Shunt Resistor (1Ω).
The circuit diagram and PCB design are as follows. The Shunt Resistor is a 1Ω resistor that has been deliberately inserted to detect the current value of the circuit. There is a jumper switch between the Shunt Resistor and the test resistor, which allows you to choose whether to pass through one of two resistors (1kΩ and 100Ω), making it ideal for measuring voltage, current, and power consumption.
Machines used this time¶
We used the ALIENTEK DC Power Supply DP100 for power supply.

We used sanwa Digital Multimeters PM3 to measure the voltage.

Understanding resistors¶
Before proceeding to the measurement, we were given an explanation of resistor color codes. In the case of general through-hole resistors, the resistance value can be read from the combination of color codes printed around the resistor. DigiKey provides an online resistor color code calculator.
The third color code from the left is a multiplier.
Shunt Resistor (1Ω)

100Ω

1kΩ

The code for SMD (surface mount) resistors is not a color code, but a numerical code. DigiKey also provides an online Resistor Code Calculator.
The code for SMD (surface mount) resistors is a multiplier at the end.
“1000”: 100Ω

“1001”: 1kΩ

Ohm’s Law and Power Consumption¶
Ohm’s Law is a law that shows the relationship between voltage, current, and resistance in an electrical circuit. As shown below, if you know two of the three values of V (Voltage), I (Intensity of electricity), and R (Resistance), you can calculate the remaining one.
Ohm's Law: V(Voltage) = I (Intensity of electricity)x R(Resistance)
Power Consumption (W): P = I x V
Voltage: V (Voltage) is always at its maximum at the power supply output pin and is zero at GND.
Current: I (Intensity of electricity) is always the same value, no matter where you measure the current.
Measurement¶
We will change the power supply voltage to 5V and 3.3V using ALIENTEK DC Power Supply DP100. We will use a multimeter sanwa Digital Multimeters PM3 to measure the voltage, current, and resistance.
5V x 1kΩ¶
Since the current (I) is always the same, the voltage across the Shunt Resistor (1Ω) will automatically be the same value as I (in this case, 2.1mA), so we can calculate the power consumption.
- Shunt Resistor:2.1mV / 1(Resistance) = 2.1mA
- 1kΩ resistor: 2.1mA x 2.249V = 4.7229mW
- LED: 2.1mA x 2.717V = 5.7057mW
- Whole Circuit: 2.1mA x 4.98V = 10.458mW
| Component | Measurement (Voltage) | Intensity of electricity (mA) | Power Consumption (mW) |
|---|---|---|---|
| Shunt Resistor | 0.0021V (2.1mV) | 2.1mA | 0.00441mW |
| 1kΩ Resistor | 2.249V | 2.1mA | 4.7229mW |
| LED | 2.717V | 2.1mA | 5.7057mW |
| Whole Circuit | 4.98V | 2.1mA | 10.458mW |
5V x 100Ω¶
Since the current (I) is always the same, the voltage across the Shunt Resistor (1Ω) will automatically be the same value as I (in this case, 18mA), so we can calculate the power consumption.
- Shunt Resistor:18mV / 1(Resistance) = 18mA
- 100Ω resistor: 18mA x 1.853V = 33.354mW
- LED: 18mA x 3.097V = 55.746mW
- Whole Circuit: 18mA x 4.98V = 89.648mW
| Component | Measurement (Voltage) | Intensity of electricity (mA) | Power Consumption (mW) |
|---|---|---|---|
| Shunt Resistor | 0.018V (18mV) | 18mA | - |
| 100Ω Resistor | 1.853V | 18mA | 33.354mW |
| LED | 3.097V | 18mA | 55.746mW |
| Whole Circuit | 4.98V | 18mA | 89.64mW |
3.3V x 1kΩ¶
Since the current (I) is always the same, the voltage across the Shunt Resistor (1Ω) will automatically be the same value as I (in this case, 0.6mA), so we can calculate the power consumption.
- Shunt Resistor:0.6mV / 1(Resistance) = 0.6mA
- 1kΩ resistor: 0.6mA x 0.683V = 0.4098mW
- LED: 0.6mA x 2.595V = 1.557mW
- Whole Circuit: 0.6mA x 3.281V = 1.9686mW
| Component | Measurement (Voltage) | Intensity of electricity (mA) | Power Consumption (mW) |
|---|---|---|---|
| Shunt Resistor | 0.0076V (7.6mV) | 0.6mA | - |
| 1kΩ Resistor | 0.683V | 0.6mA | 0.4098mW |
| LED | 2.595V | 0.6mA | 1.557mW |
| Whole Circuit | 3.281V | 0.6mA | 1.9686mW |
3.3V x 100Ω¶
Since the current (I) is always the same, the voltage across the Shunt Resistor (1Ω) will automatically be the same value as I (in this case, 4.5mA), so we can calculate the power consumption.
- Shunt Resistor:4.5mV / 1(Resistance) = 4.5mA
- 100Ω resistor: 4.5mA x 0.463V = 2.0835mW
- LED: 4.5mA x 2.811V = 12.6495mW
- Whole Circuit: 4.5mA x 3.28V = 14.76mW
| Component | Measurement (Voltage) | Intensity of electricity (mA) | Power Consumption (mW) |
|---|---|---|---|
| Shunt Resistor | 0.0045V (4.5mV) | 4.5mA | - |
| 100Ω Resistor | 0.463V | 4.5mA | 2.0835mW |
| LED | 2.811V | 4.5mA | 12.6495mW |
| Whole Circuit | 3.28V | 4.5mA | 14.76mW |
Conclusion¶
The following is a summary table of power consumption.
| Resistance | 5V | 3.3V |
|---|---|---|
| 1kΩ | 10.458mW | 1.9686mW |
| 100Ω | 89.64mW | 14.76mW |
The effect of power consumption on resistance¶
- If the resistance is high (1kΩ), the power consumption will be lower.
- Reason: Because current (I) is inversely proportional to resistance (R), if the resistance is high, the current flowing will be lower, and as a result, the power consumption will also be lower.
- Example: At 5V, the power consumption is 10.458mW for 1kΩ, but 89.64mW for 100Ω.
The effect of power consumption on voltage¶
-
When the power supply voltage is high (5V), power consumption increases.
- Reason: Power consumption is (P = V^2 / R), and when the voltage (V) is high, power consumption increases due to the effect of (V^2).
- Example: With a 1kΩ resistor, at 3.3V it is 1.9686mW, and at 5V it is 10.458mW.Ohm's law V = I x R, and the current I can be obtained as I = V / R. If we substitute this I into the formula for power consumption P = I x V, we get P = V x V / R, and rearranging this gives P = V^2 / R.
Summary¶
- The smaller the resistance value, the more current flows, and the more power is consumed.
- The higher the power supply voltage, the more power is consumed.
- In circuit design, in order to reduce power consumption, it is effective to either choose a higher resistance value or adjust the supply voltage.