During the fifth session dated on February 13 2019, I learned how to design a "PCB" (Printed Circuit Board) as well as how to produce it.
The group assignment is to characterize the specifications of our PCB productions.
And the individual assignment is to Mill the FabISP and program it.
The first step to produce a new PCB is to design it. This design will be used later on to produce the board.
I will use EAGLE as my PCB design software.
We used the Roland MDX-40.
The output shape of the PCB can be affected by the following settings:
In order to characterize the design rules for the PCB production, We have to do the line test. This test will enable us to check the range of the line thickness that the milling machine can mill with a specific tool bit.
As a general rule we must open the above image in an image editor (Gimp, or Photoshop),
By using the "Fab modules", we will calculate the .gcode that is a programming language which translates an image into coordinates and instructions for the CNC machine, to do that:
After generating the .gcode, we have to insert it in the Droupout software of the Roland CNC mill, and after homing the CNC we will press output in order for the machine to start the job.
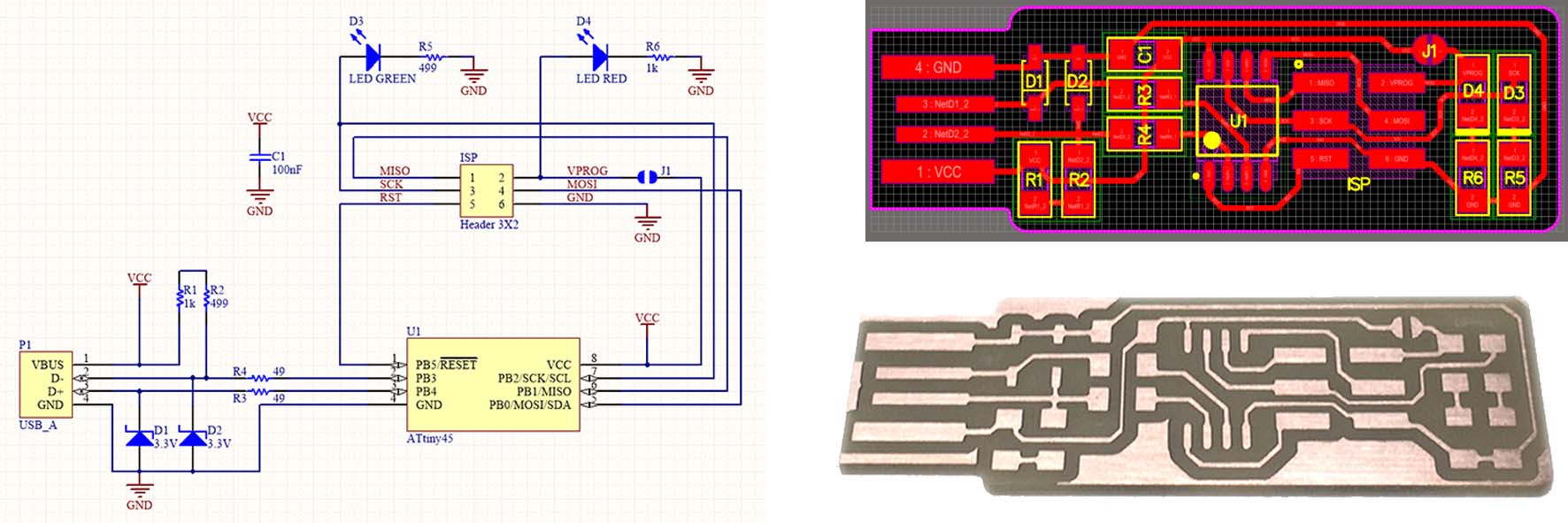
I used the Brian's design.
The Schematic:
In order to produce the FabISP I have to CNC mill it. For that I need two pictures to generate the .gcode:
To generate the .gcode, I will follow the same steps as mentioned above.
Zeroying the tool Z offset, and the XY Origin:
Before starting the soldering and after soldering each of the components, I tested the board with a multi-meter to check if there is any soldering or short-circuit problems.
I checked the polarity of the LEDs and Zener diodes that must be installed in the correct direction.
I used the following components based on Brians design:
I followed the below steps to program my ISP:
The g-code used for my ISP:
Traces,
Cutout.

This work is licensed under a Creative Commons Attribution 4.0 International License.