Computer Controlled Machining

Assigment

  • Make something big
  • CNC Router Shop Bot

    What is a CNC router ? A CNC router is a router computer controlled cutting machine. The CNC router is used for cutting various hard materials, such as wood, composites, aluminium, steel, plastics and foams. CNC routers perform the same tasks as many carpentry tools that are in the shop. It replaces the panel saw, the spindle moulder and the boring machine.

    A CNC router is very similar in concept to a CNC milling machine. Instead of routing by hand, tool paths are controlled via computer numerical control. The CNC router is one of many kinds of tools that have CNC variants.

    At first I did not know what I wanted to make in the CNC router. I looked back at my job where I used to work before. So I remembered that people in the office wanted to be working standing. When they wanted to raised their computer up from their desk they used a milk crate. Then I wanted to solve the problem so, it gave me an idea of creating a extension for desk and it will be adjustable.

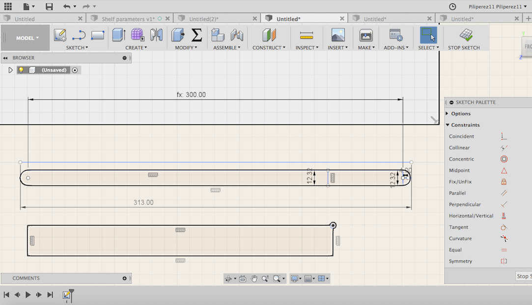
    First I did a sketch with dimensions and how the shelf was gonna look like.

    Having a sketch was helpful since it had measurements on it. So, I started doing my sketch in fusion 360. At this point I was way more familiar with Fusion 360. First I started with the side panel and after making one I just mirror it because I need two panels for my shelf. In here I had to crate gaps that measure the same so the piece of plywood will go in. A challenge that I had at first is determining the same space between the gap and aligning them. Finally, I figured it out how to aligning all my gaps and have the same space between them. The way I did it is by creating construction lines and with that I was able to plug the measurements I wanted.

    Construction lines.

    Then I started to make the back part of the shelf. This is my trying piece to see if my joints were was going to fit on the side panels. Also to see if it was the right height.

    I cut the previews piece and it was the right thickness and it did interlocked with the panels. So, this is my real back piece. Now that I have all my three panels so I’m ready to cut my shelf. My file type is dxf.

    The program that the ShopBot uses is called Vcarve. Vcarve is the program to create toolpaths and generates the G Code for the ShopBot to cut the file. So now that I open my Vcarve the first thing that it ask me is for my piece size. Second, I transfer my file to Vcarve just like is showing in the picture.

    Now I can create my toolpaths to create my file. On the right size you click on toolpath. Their is a lot of options for toolpaths. In order to secure my piece of wood in the table, so I choose drilling toolpath. This is a to pre-drill into the wood.

    Secondly, I chose the option for cutting, then a little window will pop up. First you will choose your cutting depths, tool, machine vectors, add tabs to toolpath and project toolpath onto 3D model. What I learn from another person who was cutting, the option machine vectors is very important. This gives you the option to choose where you want the bit to cut on the line of your drawing. Also this program has an option that is called project toolpath onto 3D model, this helps a lot because it previews your cut or whatever toolpath you want to do in the machine.

    Printing my shelf, open Shopbot program. The machine has an X a Y and a Z. In the software you can just click the X and Y this is the option for the machine to go home. The way you do the Z axes you have a metal plate and a clamp. Click on the Z axes but first clamp the clamp on the spindle and the metal plate put it on top of your material.

    Click on the button cut once you press cut part and then you hit start. Here we go my file is gonna cut.

    I screw my piece to the sacrificial layer.