Zoetrope
Drawing

Following these sketches I was fairly confident I'd be able to create a construction kit to produce one - again lacking in the multiple arrangement condition - but possibly a bit less than my previous ideas.
Solidworks
I started by creating the internal support part - creating the first slot:

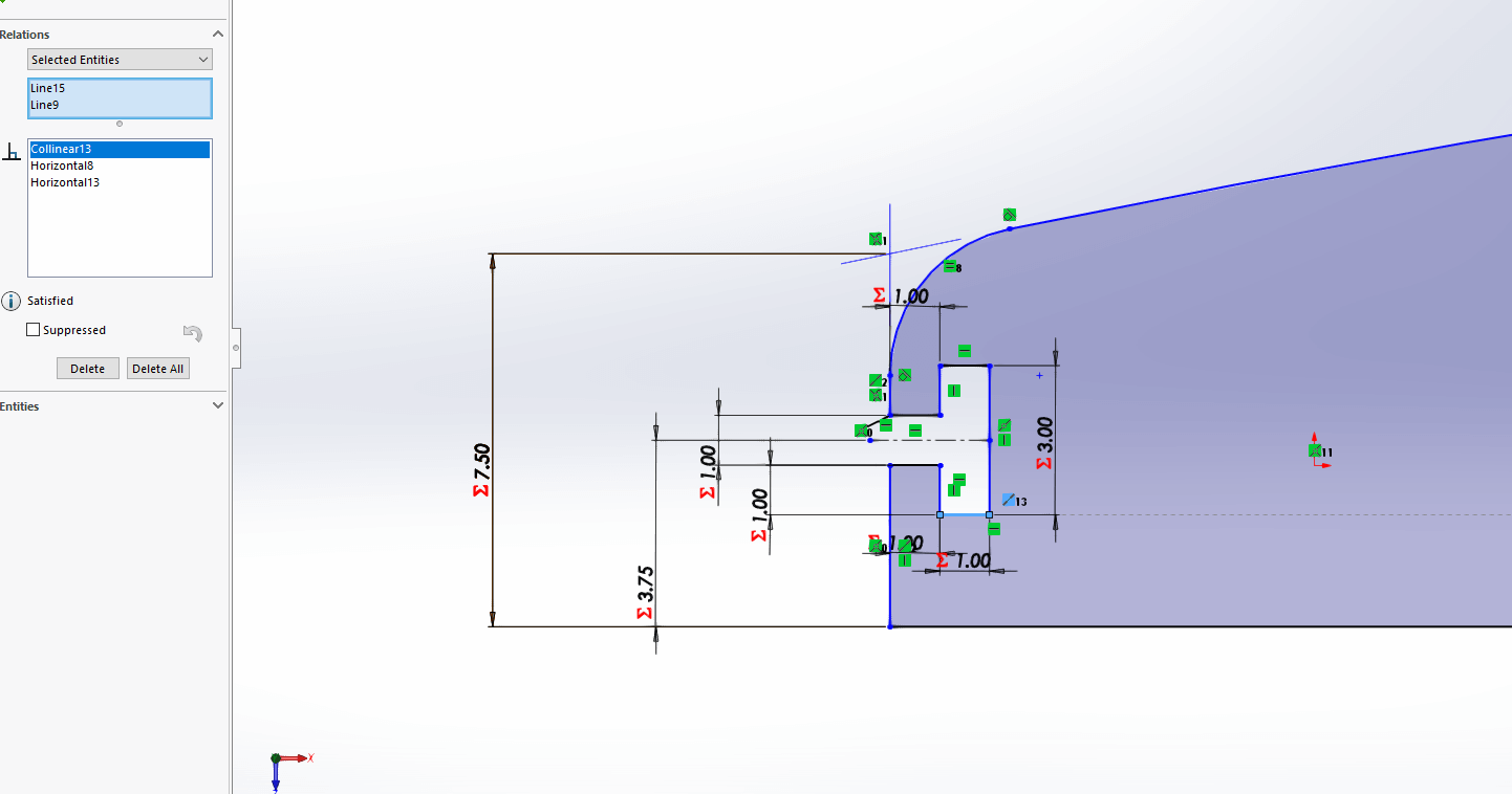
This slot was created and then dimensioned based on the variables set up in the eqations window:


I then mirrored the slot to the other edge, and made sure they'd line up regardless of the variables with a dimension:

I then patterned the slot on the right hand side to double it.
And then extruded the part to the material thickness.

I then moved onto the second part - I tried creating it in the same part to sustain the equations, but for being able to make an assembly later, it would be neccessary to split them apart later. (I realised this fairly quickly which is good - however it does mean the parameters of this entire model, are now based on seperate variables split across numerous parts. It would be beneficial in the future to use another program that can have them all in the same file)

Which I cut a slot for the support to attach to:

and patterned around the rim:

I created an assembly to test the slots visually and so I'd be able to make some renders if required later.

I added a colour to one of the struts to keep track of the rotation of the model:

I went back and edited the support strut part to create a slot for the 'windows' to hang in.

I forgot to take as many screenshots as would have been ideal throughout this but:

Parts - link to PDF
Zoetrope Animation
My idea is that a light could be put in the centre of the zoetrope, so that it could shine through a halftone animation such that it could be seen when spun, or to be a light when not spinning.
I was very interested in the halftoning for screen-printing brought up in the lecture, so figured I could attempt to do that with light. I decided on a blinking eye (I think now I should have drawn something myself that would have been simpler.):

I didn't screenshot any of this process as I was constantly switching between different tutorials and methods, testing multiple routes. I do however want to do this again having tested the equipment in the lab some more.
I used a combination of Photoshop, Illustrator and Paint to convert the frames of the gif above into eight halftone frames which I could use on the eight panels of my Zoetrope:
Halftones

Despite having gotten this far, it had gotten too late to get cutting, so I transferred my attention to creating something however useless which would fill of the criteria of the weeks assignment.
