SimpleStepper Board with Dual H-Bridge chip¶
Yuichi TAMIYA Fablab Kannai, Yokohama, JAPAN

History¶
| Moduler Things | BootCamp Waag2023 |
BootCamp Leon2024 |
BootCamp Norway2026 |
|---|---|---|---|
![]() |
![]() |
![]() |
![]() |
Board¶
![]() |
![]() |
|
|---|---|---|
![]() |
![]() |
![]() |
Milling(Outline&Holes)![]() |
Engrave(Traces) Xtool F2 Ultra |
![]() |
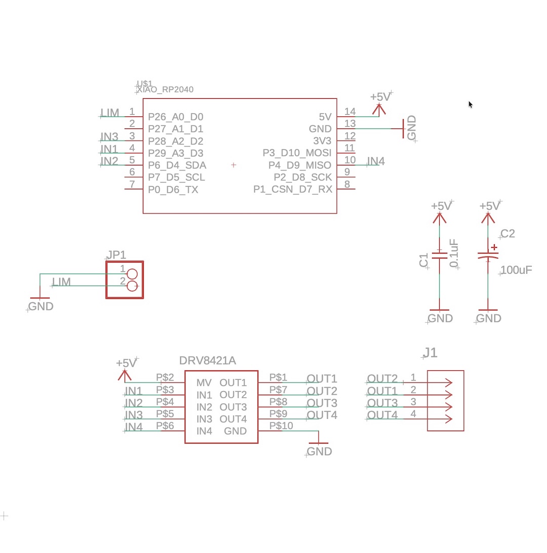
BOM¶
| Item | Qty | |
|---|---|---|
| Xiao RP2040 | 1 | |
| DRV8421A Dual H-Bridge Stepper Driver | 1 | |
| 100uF | 1 | |
| 0.1uF | 1 | |
| Pinheaders | 2+ |
Firmware¶
simple_stepper.ino.uf2 from Quentin's WS in FAB25
Code¶
Python¶
Downlad from here
.
└── code
└── python
├── __pycache__
│ ├── cobs_usb_serial.cpython-312.pyc
│ ├── cobs_usb_serial.cpython-313.pyc
│ ├── motor.cpython-312.pyc
│ └── motor.cpython-313.pyc
├── cobs_usb_serial.py
├── main_test_gantry.py
├── main_test.py
├── motor.py
└── two_axis.py
Serial port¶
% ls /dev/tty.*
/dev/tty.usbmodem101
main_test.py
import motor
import time
import random
def goto(m: motor.Motor, x, vel, accel):
# print(m.get_states())
m.set_target_position(x, vel, accel)
# print(m.get_states())
# ... wait while not at point:
while True:
states = m.get_states()
# print(states["position"])
# if states['is_moving'] == 0:
if not states["is_moving"]:
break
# if abs(states["position"] - x) <= 0.01:
# break
def goto_all(m1: motor.Motor, m2: motor.Motor, x1, x2, vel, accel):
m1.set_target_position(x1, vel, accel)
m2.set_target_position(x2, vel, accel)
# ... wait while not at point:
done = False
while not done:
states1 = m1.get_states()
states2 = m2.get_states()
done = states1['is_moving'] == 0 and states2['is_moving'] == 0
def main():
# change to the correct serial port
# m = motor.Motor("COM47")
# Use /dev/cu.* instead of /dev/tty.* for USB serial devices on macOS.
# /dev/cu.* is non-blocking and safer for direct communication with Arduino.
m = motor.Motor("COM47") # ============================== here
# turns/sec
vel = 5
# turns/sec²
acc = 30
# 200 steps per turn
steps_per_unit = 200
# 30% current
current = 0.3
m.set_steps_per_unit(steps_per_unit)
m.set_current(current)
goto(m, 2.0, vel, acc)
time.sleep(0.2)
goto(m, 0.0, vel, acc)
m.set_current(0)
if __name__ == "__main__":
main()
Result
% python3 main_test.py
Note
The code is designed for Python >= 3.10
Dependencies:
pyserial >= 3.4
cobs >= 1.1









