Machine Building Reference¶
Camera Board¶
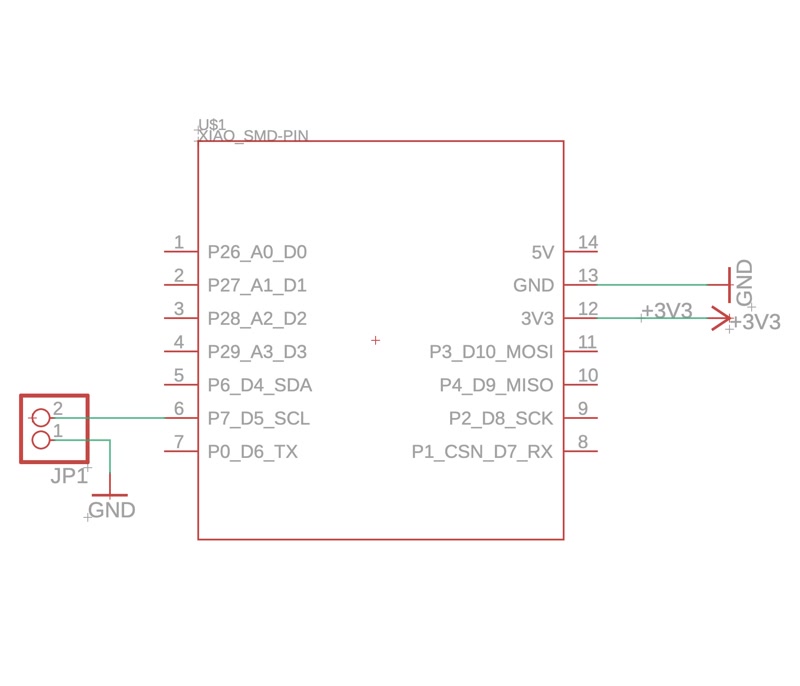
| Camera board | |
|---|---|
![]() |
![]() |
![]() |
|
invert![]() |
![]() |
Download file: Camera_PCB
Almi_cable_cover¶

Download file: Almi_cable_cover
Ref. Misumi
Board and firmware¶

Ref. Instructor’s Bootcamp 2024 in Leon
| Camera board | |
|---|---|
![]() |
![]() |
![]() |
|
invert![]() |
![]() |
Download file: Camera_PCB

Download file: Almi_cable_cover
Ref. Misumi

Ref. Instructor’s Bootcamp 2024 in Leon