10. Output Devices¶
Group Assignment¶
- Measure the power consumption of an output device.
1. Equipment¶
For this assignment, we used the following equipment:
| Equipment | Model |
|---|---|
| Regulated DC Power Supply | ALIENTEK DP100 |
| Digital Multimeter | Sanwa PM3 |
| Test Board | Custom PCB with LED, 1kΩ / 100Ω resistors, and a 1Ω shunt resistor |

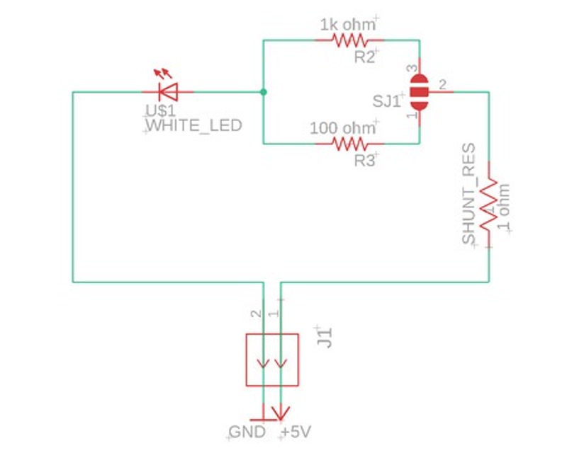
2. Test Board Circuit¶
The test board was designed specifically for this exercise. It contains:
- A white LED
- A jumper (SJ1) to select either a 1kΩ or 100Ω current-limiting resistor
- A 1Ω shunt resistor in series with the whole circuit for current measurement

The schematic and PCB layout are shown below:


3. Reading Resistor Codes¶
Before starting the measurements, we reviewed how to identify resistor values.
Through-hole Resistors — Color Bands¶
The 1Ω shunt resistor is a through-hole component with color bands. We used the DigiKey Resistor Color Code Calculator to confirm its value: Brown – Black – Gold – Gold = 1Ω ±5%.

SMD Resistors — Numerical Codes¶
The 1kΩ and 100Ω resistors on the board are SMD components. SMD resistors use a 4-digit numerical code where the first three digits are the significant figures and the last digit is the power-of-10 multiplier.
1001→ 100 × 10¹ = 1,000Ω (1kΩ)1000→ 100 × 10⁰ = 100Ω


4. Measurement Method¶
Ohm’s Law Refresher¶
All measurements are based on Ohm’s Law:
V = R × I → I = V / R → P = V × I
The Shunt Resistor Trick¶
Here is something that surprised us: a multimeter in “current” mode is actually measuring voltage. Internally, it places a tiny known resistor in series with the circuit and calculates the current from the voltage drop across it — exactly the same principle as a shunt resistor.
By placing a 1Ω shunt resistor in series with the circuit, we can measure the current flowing through the entire circuit very easily:
Because R = 1Ω, the voltage reading in millivolts (mV) directly equals the current in milliamps (mA). e.g., 2.0 mV across 1Ω → 2.0 mA
Since this is a series circuit, that same current flows through every component — the shunt, the current-limiting resistor, and the LED. This makes calculating the power dissipated by each component straightforward.
5. Measurements and Results¶
We tested four combinations of supply voltage (5V and 3.3V) and current-limiting resistor (1kΩ and 100Ω).

Experiment 1: 5V, 1kΩ¶
| Measurement Point | Voltage | Current | Power |
|---|---|---|---|
| Shunt (1Ω) | 2.0 mV | 2.0 mA | — |
| 1kΩ resistor | 2.257 V | 2.0 mA | 4.51 mW |
| LED | 2.730 V | 2.0 mA | 5.46 mW |
Experiment 2: 3.3V, 1kΩ¶
| Measurement Point | Voltage | Current | Power |
|---|---|---|---|
| Shunt (1Ω) | 0.6 mV | 0.6 mA | — |
| 1kΩ resistor | 0.684 V | 0.6 mA | 0.41 mW |
| LED | 2.608 V | 0.6 mA | 1.56 mW |
Experiment 3: 5V, 100Ω¶
| Measurement Point | Voltage | Current | Power |
|---|---|---|---|
| Shunt (1Ω) | 18 mV | 18 mA | — |
| 100Ω resistor | 1.858 V | 18 mA | 33.44 mW |
| LED | 3.117 V | 18 mA | 56.11 mW |
Experiment 4: 3.3V, 100Ω¶
| Measurement Point | Voltage | Current | Power |
|---|---|---|---|
| Shunt (1Ω) | 4.4 mV | 4.4 mA | — |
| 100Ω resistor | 0.461 V | 4.4 mA | 2.03 mW |
| LED | 2.827 V | 4.4 mA | 12.44 mW |
Summary¶
| Resistor | Supply Voltage | Circuit Current | LED Power |
|---|---|---|---|
| 1kΩ | 5V | 2.0 mA | 5.46 mW |
| 1kΩ | 3.3V | 0.6 mA | 1.56 mW |
| 100Ω | 5V | 18 mA | 56.11 mW |
| 100Ω | 3.3V | 4.4 mA | 12.44 mW |
6. Key Findings¶
Higher resistance → lower current → lower power consumption. Switching from 1kΩ to 100Ω at 5V increased the current from 2 mA to 18 mA — a 9× increase — and the LED power jumped from 5.46 mW to 56.11 mW.
Lower voltage reduces power significantly. At 100Ω, dropping from 5V to 3.3V reduced LED power from 56.11 mW to 12.44 mW — less than a quarter of the power.
The LED voltage stays relatively stable across experiments. The forward voltage of the LED stayed in the range of 2.6–3.1V regardless of the supply voltage or resistor. This is characteristic of LEDs: the current-limiting resistor absorbs the remaining voltage, while the LED holds its forward voltage.
One thing that was visually satisfying: you could actually see the difference in brightness with the naked eye. The LED was noticeably brighter at 5V/100Ω (18 mA) than at 3.3V/1kΩ (0.6 mA). It was a nice reminder that the numbers on the multimeter aren’t just abstract — they directly correspond to what you can observe.
Note
The LED on the test board is rated for 3.3V. At 3.3V with 100Ω, the LED operated safely at 4.4 mA. At 5V, the 1kΩ resistor limits the current to just 2 mA, keeping the LED well within its safe operating range.
7. USB Digital Tester¶
A good way to measure the power of a full microcontroller powered system is using a USB power analyzer which can be found for cheap on sites like Amazon or AliExpress. This device was purchased by Kieran and has many input and output ports for different USB specs. You simply add it somewhere in between the USB port and microcontroller (on either end of the USB cable, which ever is most convenient) and when you plug it in, it automatically powers on and begins to measure the current, potential difference and power. You can click through the menu using the buttons to record data over time if you want to determine the power draw, or you can view differences in power when you put the device under different loads.
Only the ESP running a script to power a 3.5” screen - but with no actual screen attached,
Same script now running with the screen (including the backlight pin) wired, notice the difference in current and power
AI usage¶
- Claude Code for brushing up the report.